2020-09-16
东莞市德艺隆电子有限公司是一家专业设计、生产、销售为一体的精密厂商,是一家大型生产各种微动开关的20年老品牌厂家。微动开关已经在我们的生活中广泛应用,今天小编为大家介绍的是改善微动开关焊接不牢的方法。
微动开关、防水微动开关是用于各类高压输变电、高铁等电气设备的操作机构中做限位使用,是机构中最为常用的一种微动开关,它是作为机械状态及联动的重要部件,有着极为重要的作用。以往有些微动开关由于焊接强度不足,安装后易出现壳体断裂、引出片窜动现象,因微动开关的坚固稳定也关系着电力机构运行的稳定性,是保证电气性能和安全的重要条件,为此我们在改良了微动开关焊接结构的同时,设计了一种能对微动开关超声波焊接强度检测的装置,来确保生产的微动开关出厂前不存在焊接不牢固的状况。
为了解决微动开关超声波焊接强度检测的问题,采用继电器控制技术提出一款气缸自动夹紧击打装置,来检测微动开关超声波焊接强度。
改善微动开关焊接不牢的方法一、结构形式
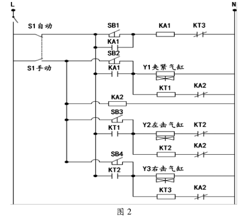
为实现简单高效的强度检测,该设备具体包括:(a)继电器控制盒、(b)左击打气缸、(c)击打固定座、(d)聚四氟击打头、(e)右击打气缸、(f)
气动减压阀、(g)2080 铝型材、(h) 待检S100 开关、(i)汇流板、(j)夹紧气缸、(k)固定座、(l)夹紧气缸电磁阀、(m)左击打气缸电磁阀、(n)
右击打气缸电磁阀、(o)手动夹紧按钮、(p)手动左击打按钮、(q)手动右击打按钮、(r)电源开关、(s)自动手动选择开关、(t)自动启动按钮。

改善微动开关焊接不牢的方法二、功能介绍
其动作逻辑是这样,当电源开关处于 on,手自动选择开关S1 处于自动状态时,按下 SB1 启动按钮,设备会按照原理图执行一个动作循环,KA1
中间继电器得电并进行自锁,电磁阀 Y1线圈得电吸合,夹紧气缸动作,与此同时 KT1 时间继电器开始计时,计时到达预设后,电磁阀 Y2
线圈得电吸合,左击打气缸动作,同时 KT2 时间继电器开始计时,计时到达预设后,电磁阀Y2 线圈失电,左击打气缸复位,同时电磁阀 Y3 线圈得电吸合,KT3
时间继电器开始计时,计时到达预设后,KT3 时间继电器常闭触点断开主回路,KA1
中间继电器自锁失效,气缸全部复位,完成一个自动工作循环;手动模式则可实现对每个气缸实现单电动作的要求,使工作简单方便。

改善微动开关焊接不牢的方法三、关键技术点
本设备提供了一种全新的
微动开关产品超声波焊接强度检测方式,摆脱了人工检测的现状,利用继电器控制电路原理,设计控制电路,根据控制逻辑,使用继电器驱动执行气缸动作,从而稳定高效地完成了微动开关焊接强度检测时的夹紧、左击打、右击打、复位等动作,且具备长时间运行的工作能力,保证了生产微动开关的质量;手动、自动模式可以随意切换,且继电器延时动作时间可以进行微调,击打速度、力量均可根据调整气缸压力,调整气缸进排气流速进行调整,满足不同使用情况和标准下的需求,兼容性良好。
改善微动开关焊接不牢的方法四、主要特点
(1)提高了检测效率,由于设备研发之前焊接后的微动开关均依靠人工检测焊接强度,检测标准无法一致的同时,检测效率低下,工人长时间工作容易疲劳。该设备工装的开发制作,避免了单一的人工体力劳动,保证了检测标准的一致性,提高了产品的质量和可靠性。
(2)设备工作稳定安全可靠,利用继电器控制,气动元件执行驱动,技术成熟安全可靠,运行稳定,可以适应批量生产。
(3)提高了工作效率,将这款工装安装在超声波焊接机旁边,焊接和检测可以由一人同时完成,不再需要焊接完毕,再进行二次校验的困扰,且边焊接边检测可以及时发现焊接时问题,调整参数,避免了大量废品出现。
(4)设备制作成本低,但使用寿命长,且不需要经常维护。
(5)继电器控制电路多处增加继电器自锁、互锁,避免设备在正常使用中出现漏洞或干扰,保证了设备的正常稳定运行,延长了设备的使用寿命,良好的设备运行条件,也是良好质量产品生产的保障。
微动开关厂家推荐我们德艺隆电子,首先德艺隆电子创立于1999年,专业生产:轻触开关,拨动开关,按键开关,贴片轻触开关,贴片拨动开关,耐高温轻触开关,耐高温拨动开关等产品,主要应用于家用电器、3C(计算机、通讯、消费电子)、办公设备、医疗、安防、个人护理、汽车电子、工业控制等领域已经被广大客户认可和一致好评,选微动开关厂家就选德艺隆电子。
地址:东莞市塘厦镇莲湖第一工业区31号
传真:+86-0769-27200836
手机:139-2585-8458
网站:www.moralityele.com
E-mail:sales@twdealon.com