关于德艺隆
公司简介
经营理念
认证证书
产品中心
多功能开关
轻触开关
拨动开关
检测开关
带灯开关
按键开关
拨码开关
微动开关
耳机插座
DC插座
USB插座
连接器
解决方案
汽车电子应用
数码摄像应用
打印扫描应用
娱乐健身应用
移动通信应用
功能影音应用
服务支持
服务承诺
产品案例
新闻资讯
技术研发
公司新闻
行业资讯
社会责任
环境保护
社会公益
联系方式
按键开关 PB-22E33
产品系列
多功能开关
轻触开关
拨动开关
检测开关
带灯开关
按键开关
拨码开关
微动开关
耳机插座
DC插座
USB插座
连接器
按应用行业选择
汽车电子应用
数码摄像器材应用
打印扫描设备应用
娱乐健身器材应用
移动通信产品应用
功能影音设备应用
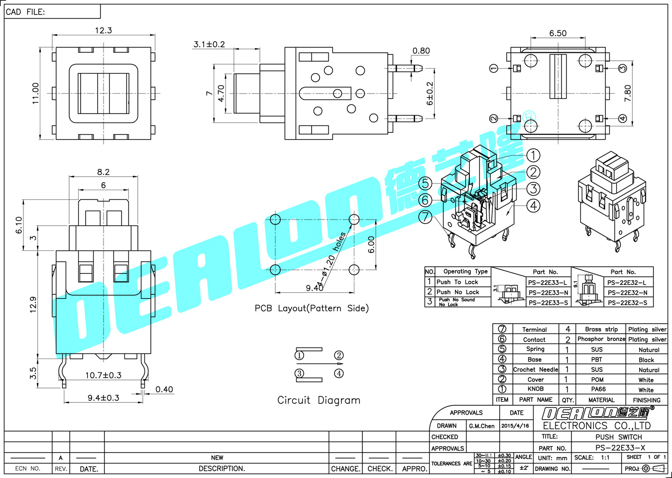
按键开关 PB-22E33
基本参数
型号:PB-22E33
类别:按键开关
尺寸:12.3mm*11mm
额定负荷
DC 30V 10mA
接触电阻
100mΩ max
绝缘阻抗
100MΩ min. 500V DC
操作力
300gf
行 程
3.0mm
使用寿命
100,000 cycles
使用温度
-25°C ~ +85°C
存储温度
-25°C ~ +85°C
尺寸图
sales@twdealon.com
+86-0769-87283666